Ciągnik AUPAX z 7-letnią GWARANCJĄ bez limitu godzin KLIKNIJ TUTAJ

Ocena produktu
0
Najczęściej kupowane
Cena: 62.29 zł (brutto)
Cena: 50,64 zł (netto)
Cena: 55,19 zł brutto w Klubie Korbanek - sprawdź
Od 1-5 w magazynie
Numer katalogowy: MF1441069X1
Kategorie: Oddzielanie, Żniwa-koszenie
Dziś zaczniemy realizować Twoje zamówienie!
Warunki terminów dostaw
Bezpieczeństwo
Producent: AGCO Limited
Adres: CV8 2TQ KENILWORTH ; Abbey Park Stoneleigh ul. Kenilworth
Kontakt: Frederic.Moreau@agcocorp.com

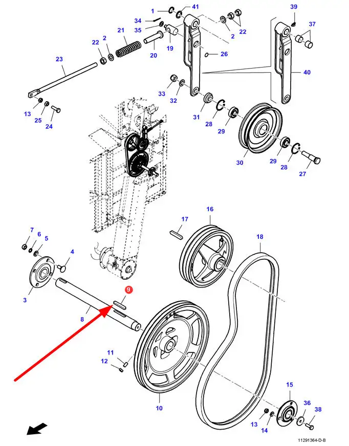
Oryginalny wpust pryzmatyczny o wymiarach 12 x 8 x 70 mm, stosowany do mocowania koła pasowego kombajnów zbożowych marki Massey Ferguson i Fendt.
Odpowiedni dla:
| Rodzaj | Nazwa | Modele |
| Kombajn zbożowy | Fendt | 8370 P, 8380 P, 8380 P AL, 9490 X |
| Kombajn zbożowy | Massey Ferguson | 9380, CENTORA 7380 Tier 4 |
Brak zamienników dla tego produktu w naszym sklepie.
Ostatnio oglądane
Oferty specjalne
Zobacz wszystkieNajpopularniejsze modele maszyn rolniczych:
Najpopularniejsze modele Fendt:
Najpopularniejsze modele Massey Ferguson:
Najpopularniejsze modele Claas:
Sprawdzone ciągniki rolnicze:
Sprawdzone kombajny i sieczkarnie:
Niezawodne maszyny rolnicze towarzyszące: