Ciągnik AUPAX z 7-letnią GWARANCJĄ bez limitu godzin KLIKNIJ TUTAJ

Ocena produktu
0
Najczęściej kupowane
Cena: 17.22 zł (brutto)
Cena: 14,00 zł (netto)
Cena: 16,19 zł brutto w Klubie Korbanek - sprawdź
Od 1-5 w magazynie
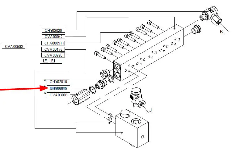
Numer katalogowy: MHCHY00015
Kategorie: Części do pras
Zamów dziś wyślemy w następnym dniu roboczym
Warunki terminów dostaw
Bezpieczeństwo
Producent: McHale Engineering
Adres: Ballinrobe, Co. Mayo ; Ballinrobe, Co. Mayo Castlebar Road
Kontakt: sales@mchale.net

Oryginalna podkładka metalowo gumowa 1/4″ o numerze katalogowym CHY00015, stosowana w owijarkach oraz prasach do bel marki McHale.
Odpowiedni dla:
| Rodzaj | Nazwa | Modele |
| Owijarka do bel | McHale | 991 B, 991 BC, 991 BE, 991 BJS |
| Prasa | McHale | F 5400, F 5400 C, F 550, F 5600, V 640, V 660 |
| Prasoowijarka | McHale | Fusion 3 PLUS, Fusion Vario |
Brak zamienników dla tego produktu w naszym sklepie.
Ostatnio oglądane
Oferty specjalne
Zobacz wszystkieNajpopularniejsze modele maszyn rolniczych:
Najpopularniejsze modele Fendt:
Najpopularniejsze modele Massey Ferguson:
Najpopularniejsze modele Claas:
Sprawdzone ciągniki rolnicze:
Sprawdzone kombajny i sieczkarnie:
Niezawodne maszyny rolnicze towarzyszące: