Ciągnik AUPAX z 7-letnią GWARANCJĄ bez limitu godzin KLIKNIJ TUTAJ

Ocena produktu
0
Najczęściej kupowane
Cena: 307.50 zł (brutto)
Cena: 250,00 zł (netto)
Cena: 276,75 zł brutto w Klubie Korbanek - sprawdź
Od 1-5 w magazynie
Numer katalogowy: AKZKG.17986.WCG
Kategorie: Oś przednia
Dziś zaczniemy realizować Twoje zamówienie!
Warunki terminów dostaw
Bezpieczeństwo
Producent: Produkt wprowadzony do obrotu na terenie UE przed 13.12.2024
Adres: brak
Kontakt: brak

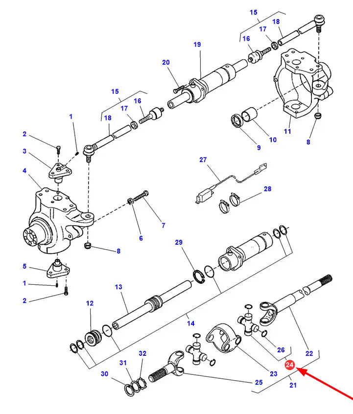
Krzyżak wału przedniej osi napędowej, o wymiarach 71 x 71 x 27 i numerze katalogowym ZKG.17986.WCG, stosowany w ładowarkach teleskopowych marki Massey Ferguson.
Numery zamienników:
Massey Ferguson 4234500M1
Towar 22/6403-94
Brak zamienników dla tego produktu w naszym sklepie.
Ostatnio oglądane
Oferty specjalne
Zobacz wszystkieNajpopularniejsze modele maszyn rolniczych:
Najpopularniejsze modele Fendt:
Najpopularniejsze modele Massey Ferguson:
Najpopularniejsze modele Claas:
Sprawdzone ciągniki rolnicze:
Sprawdzone kombajny i sieczkarnie:
Niezawodne maszyny rolnicze towarzyszące: