Ciągnik AUPAX z 7-letnią GWARANCJĄ bez limitu godzin KLIKNIJ TUTAJ

Ocena produktu
0
Najczęściej kupowane
Cena: 73.80 zł (brutto)
Cena: 60,00 zł (netto)
Cena: 59,04 zł brutto w Klubie Korbanek - sprawdź
Towar dostępny na zamówienie - zamów !
Numer katalogowy: JA73-31-O
Kategorie: Silnik-osprzęt, Uszczelki silnika
Warunki terminów dostaw
Bezpieczeństwo
Producent: Gąska Sp. z o.o.
Adres: 32-048 Jerzmanowice ; Gotkowice 85
Kontakt: jagaska@gaska.com.pl

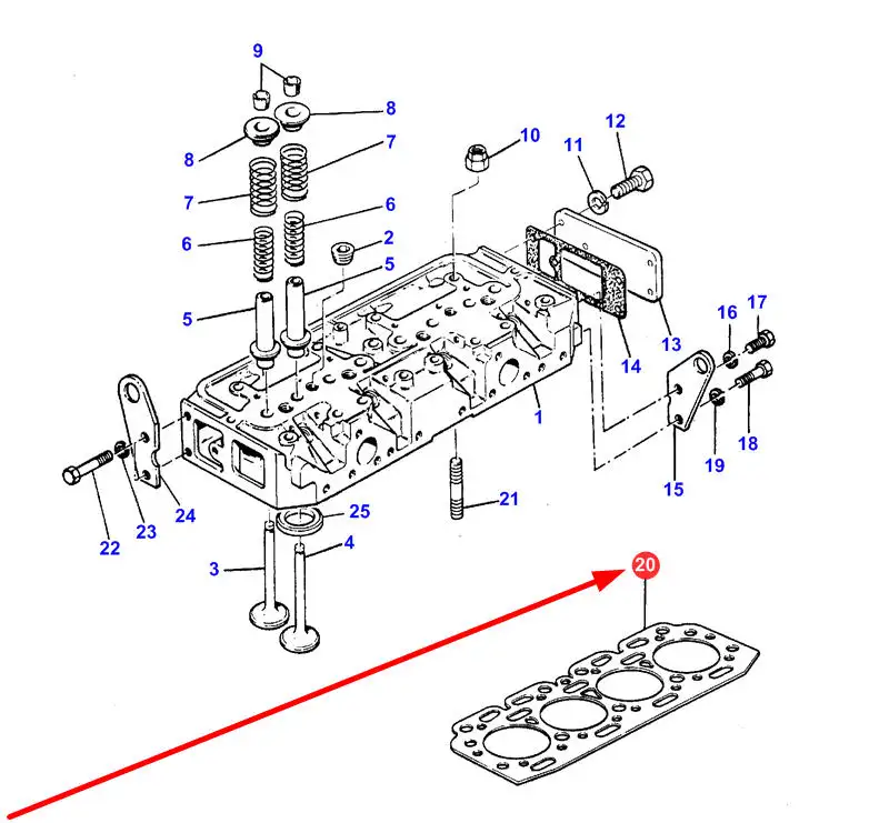
Uszczelka głowicy silnika o numerze katalogowym 73-31-O, stosowana w ciągnikach rolniczych marki Massey Ferguson.
Odpowiedni dla:
| Rodzaj | Nazwa | Modele |
| Ciągnik | Massey Ferguson | 1004, 1080, 298, 592, 595, 595/595 MKII, 698 |
Numery zamienników:
Massey Ferguson 745730M1
Zamienniki dostępne u nas
Ostatnio oglądane
Oferty specjalne
Zobacz wszystkieNajpopularniejsze modele maszyn rolniczych:
Najpopularniejsze modele Fendt:
Najpopularniejsze modele Massey Ferguson:
Najpopularniejsze modele Claas:
Sprawdzone ciągniki rolnicze:
Sprawdzone kombajny i sieczkarnie:
Niezawodne maszyny rolnicze towarzyszące: