Ciągnik AUPAX z 7-letnią GWARANCJĄ bez limitu godzin KLIKNIJ TUTAJ

Ocena produktu
0
Najczęściej kupowane
Cena: 579.33 zł (brutto)
Cena: 471,00 zł (netto)
Cena: 513,29 zł brutto w Klubie Korbanek - sprawdź
Towar dostępny na zamówienie - zamów !
Numer katalogowy: MF745730M1
Kategorie: Silnik-osprzęt, Uszczelki silnika
Warunki terminów dostaw
Bezpieczeństwo
Producent: AGCO Limited
Adres: CV8 2TQ KENILWORTH ; Abbey Park Stoneleigh ul. Kenilworth
Kontakt: Frederic.Moreau@agcocorp.com

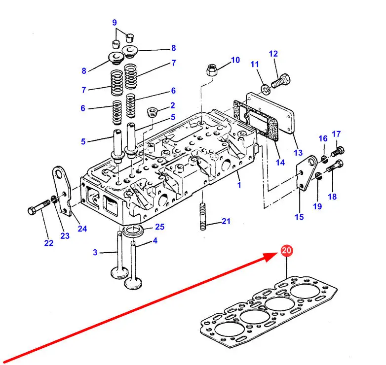
Oryginalna uszczelka głowicy silnika o numerze katalogowym 745730M1, stosowana w ciągnikach rolniczych marki Massey Ferguson.
Odpowiedni dla:
| Rodzaj | Nazwa | Modele |
| Ciągnik | Massey Ferguson | 1004, 1080, 298, 592, 595, 595/595 MKII, 698 |
Numery zamienników:
Towar 30/73-31
Towar 73-31-O
Towar 745730M1
Towar 36812348N
Towar VPA4318
PE 36812337
PE 36812347
PE 36812348
Towar 42930
Zamienniki dostępne u nas
Ostatnio oglądane
Oferty specjalne
Zobacz wszystkieNajpopularniejsze modele maszyn rolniczych:
Najpopularniejsze modele Fendt:
Najpopularniejsze modele Massey Ferguson:
Najpopularniejsze modele Claas:
Sprawdzone ciągniki rolnicze:
Sprawdzone kombajny i sieczkarnie:
Niezawodne maszyny rolnicze towarzyszące: